Welcome to Moksh Tubes & Fittings LLP

Monday - Friday : 8:00 AM to 7:00 PM

Calculator

Calculator for Steel sheets and plates

Input your values in the fields below:

mm
mm
mm
Result

Single piece weight: 0 kg

Total weight: 0 kg

Density used: 7850 kg/m³

Steel Sheet Image
Seamless steel pipes - circular

Input your values in the fields below:

mm
mm
m
Result

Weight per meter: 0 kg/m

Total weight: 0 kg

Density used: 7850 kg/m³

Pipe Image
Hollow structural sections - circular

Input your values in the fields below:

mm
mm
m
Result

Weight per meter: 0 kg/m

Total weight: 0 kg

Density used: 7850 kg/m³

Pipe Image
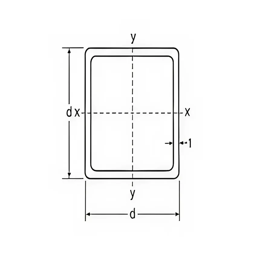
Hollow Structural Sections - Square

Input your values in the fields below:

mm
mm
m
Result

Weight per meter: 0.61 kg/m

Total weight: 0.61 kg

Density used: 7530 kg/m³

Placeholder Image for Square Section
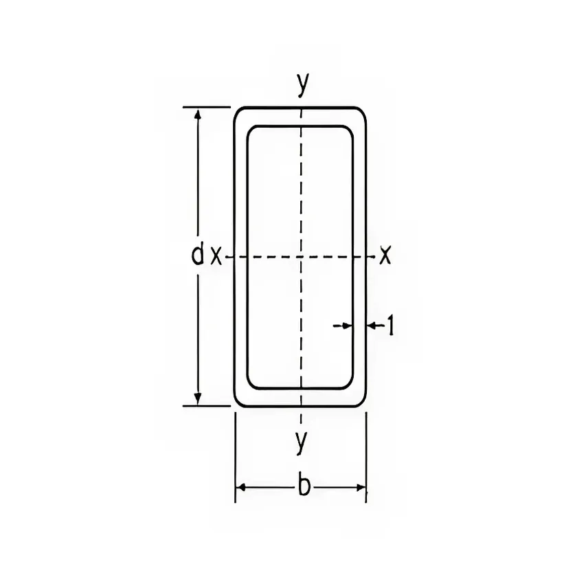
Hollow Structural Sections – Rectangular

Input your values in the fields below:

mm
mm
mm
m
Result

Weight per meter: 0.00 kg/m

Total weight: 0.00 kg

Constant Z : 0.0157

Constant Q : 0.044877

Placeholder Image for Rectangular HSS
Round Steel Bars

Input your values in the fields below:

mm
mm
Result

Weight per meter: 0.00 kg/m

Total weight: 0.00 kg

Density used: 7850 kg/m³

Placeholder Image for Round Steel Bar
Square Steel Bars

Input your values in the fields below:

mm
mm
Result

Weight per meter: 0.00 kg/m

Total weight: 0.00 kg

Density used: 7850 kg/m³

Placeholder Image for Square Steel Bar
Flat Bars

Input your values in the fields below:

mm
mm
m
Result

Weight per meter: 0.00 kg/m

Total weight: 0.00 kg

Density used: 7850 kg/m³

Placeholder Image for Flat Bar
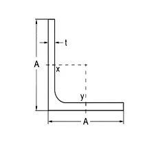
Equal Angles

Input your values in the fields below:

mm
mm
m
Result

Weight per meter: 0.00 kg/m

Total weight: 0.00 kg

Density used: 7850 kg/m³

Placeholder Image for Equal Angles
Unequal Angles

Input your values in the fields below:

mm
mm
m
Result

Weight per meter: 0.00 kg/m

Total weight: 0.00 kg

Density used: 7850 kg/m³

Placeholder Image for Unequal Angles
Channels - GOST

Input your values in the fields below:

mm
mm
mm
mm
m
Result

Weight per meter: 0.00 kg/m

Total weight: 0.00 kg

Placeholder Image for Channels - GOST
Channels - UPN

Input your values in the fields below:

mm
mm
mm
mm
m
Result

Weight per meter: 0.00 kg/m

Total weight: 0.00 kg

Placeholder Image for Channels - UPN
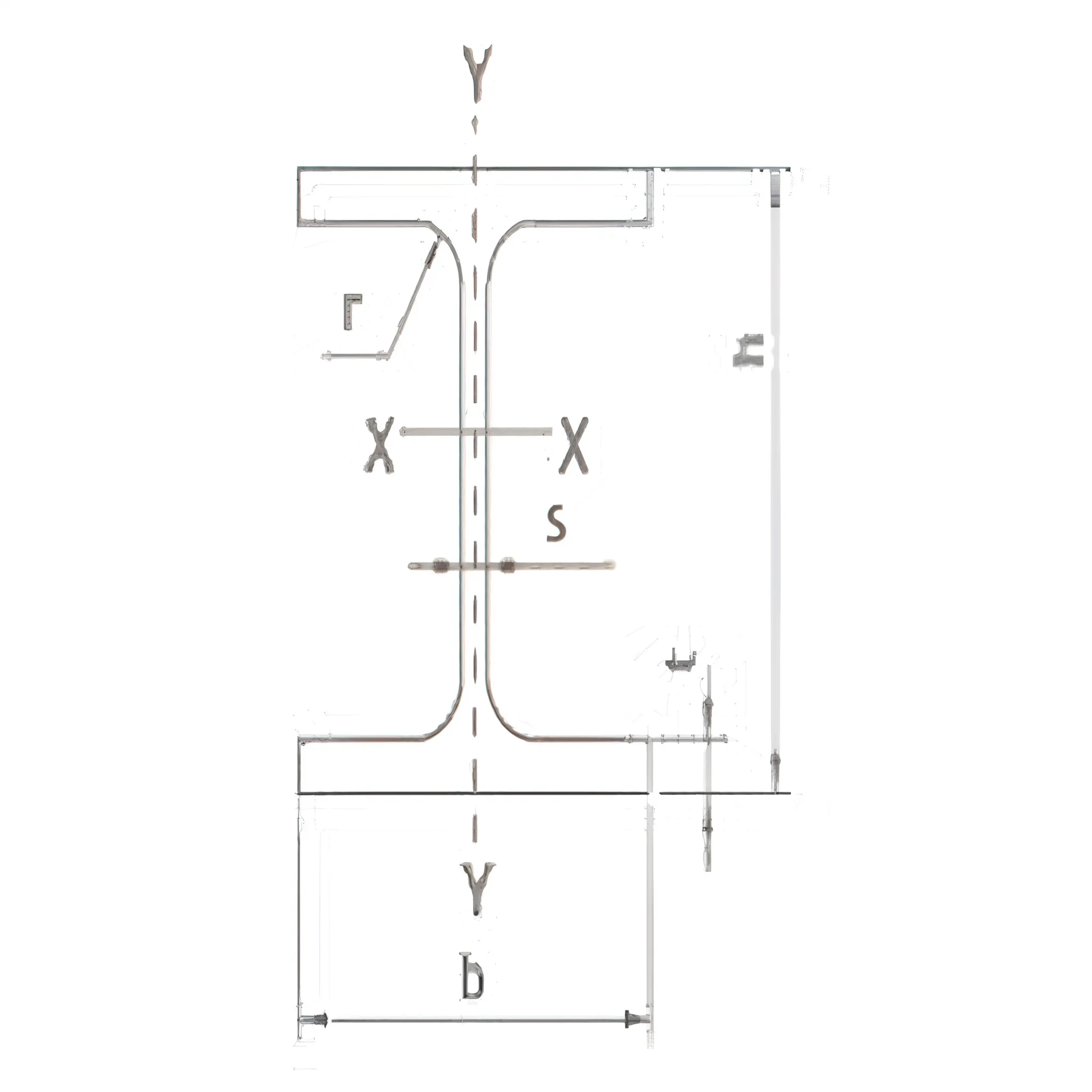
Calculator for Beams - IPN

Input your values in the fields below:

mm
mm
mm
mm
m
Result

Weight per meter: 0.00 kg/m

Total weight: 0.00 kg

I-Beam Illustration
Calculator for Beams - IPE

Input your values in the fields below:

mm
mm
mm
mm
m
Result

Weight per meter: 0.00 kg/m

Total weight: 0.00 kg

IPE Beam Illustration
Calculator for Beams - HEA

Input your values in the fields below:

mm
mm
mm
mm
m
Result

Weight per meter: 0.00 kg/m

Total weight: 0.00 kg

HEA Beam Illustration
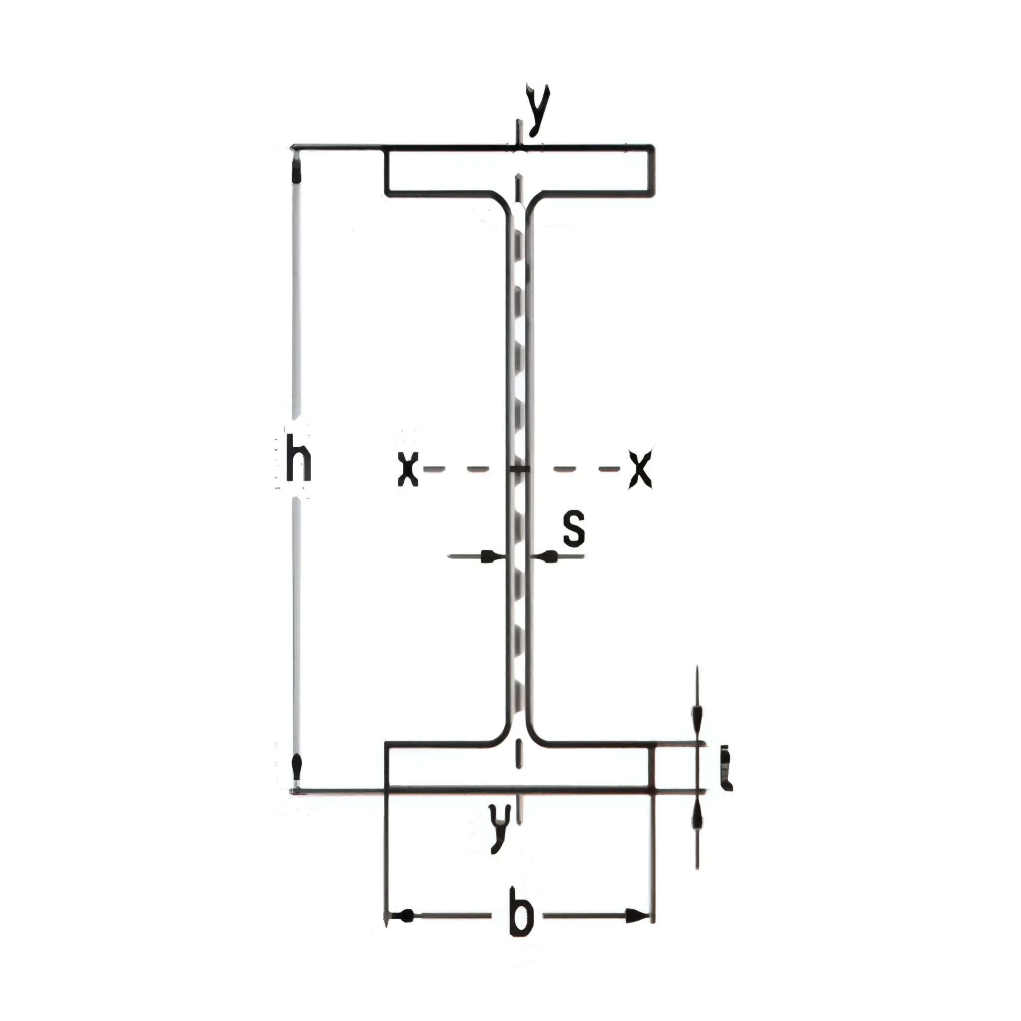
Calculator for Beams – HEB (IPB)
mm
mm
mm
mm
m
Result

Weight per meter: 0.00 kg/m

Total weight: 0.00 kg

HEA Beam Illustration